產品簡介:

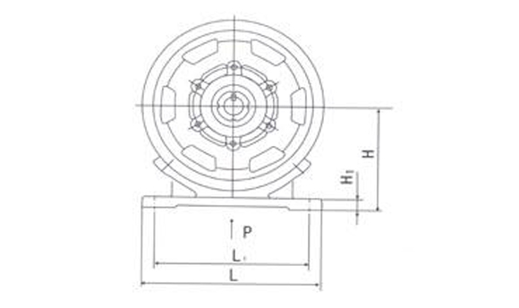
FD/DZF.FD-S/DZF-S系列磁粉離合器/制動器底座外型及聯接尺寸
6 | 12 | 25 | 50 | 100 | 150 | 200 | 300 | 400 | 600 | 800 | |
L | 145 | 165 | 200 | 245 | 290 | 320 | 340 | 380 | 400 | 45 | |
L1 | 125 | 145 | 170 | 215 | 255 | 275 | 300 | 330 | 360 | 400 | |
H | 90 | 100 | 120 | 145 | 180 | 195 | 210 | 240 | 255 | 275 | |
H1 | 10 | 10 | 12 | 12 | 20 | 20 | 25 | 25 | 30 | 30 | |
b | 50 | 60 | 70 | 75 | 110 | 130 | 140 | 170 | 170 | 200 | |
b1 | 35 | 35 | 45 | 55 | 70 | 90 | 90 | 120 | 120 | 150 | |
d | 10 | 10 | 12 | 14 | 14 | 14 | 14 | 18 | 18 | 18 |
